Art 84411
Adaptable au
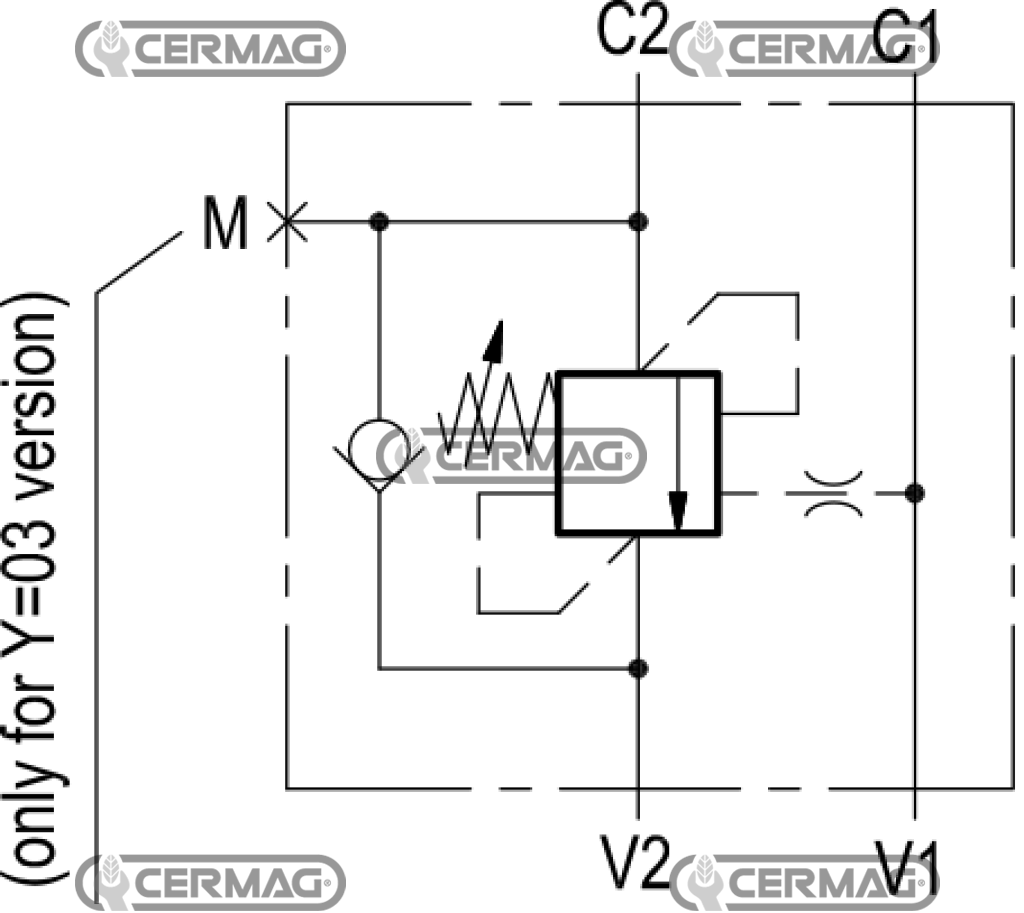
Soupape overcenter à effet simple en ligne pour contrôle de descente
Raccords
1/2" Gas
valvola over center S.E 1/2"
Disponibile nelle categorie : VANNES HYDRAULIQUES

